
Carmin is a free mobile application designed to provide users with access to electrical wiring diagrams for the most popular auto makers and car models. This app serves as an essential tool for automotive repair technicians, car enthusiasts, and students who need reliable references for car maintenance and study purposes.
The app features regularly updated diagrams that ensure accuracy and relevance, making it easier for users to find the information they need when repairing vehicles or conducting research. Additionally, Carmin offers a library of videos and technical documents that can be accessed with just a few clicks, enhancing its value as a comprehensive resource for automotive electrical systems.
Whether you're diagnosing electrical issues in a vehicle or studying automotive engineering, Carmin provides a convenient platform to access detailed wiring diagrams and related technical content, streamlining the process of understanding complex automotive systems.
Carmin stands out with its extensive collection of electrical wiring diagrams tailored for various car models and manufacturers. The app's regular updates guarantee that users have access to the latest and most accurate diagrams available, ensuring effective troubleshooting and repairs.
In addition to wiring diagrams, Carmin includes a rich library of videos and technical documents. These resources cover a wide range of topics related to automotive electrical systems, providing users with valuable insights and step-by-step guidance for different repair scenarios. The intuitive interface allows users to quickly search and access the specific content they need.
Another notable feature is the app's ability to support both professional repair work and educational purposes. Whether used in a garage or a classroom setting, Carmin enhances productivity and learning by offering easy access to critical automotive information.
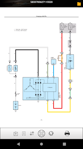
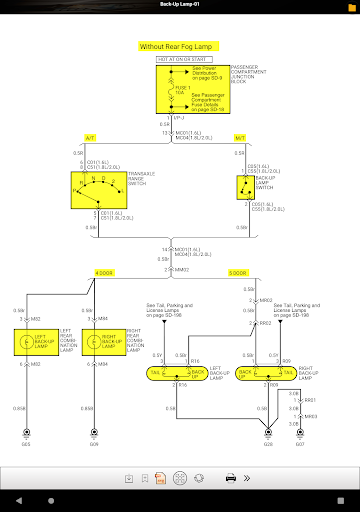
Having access to detailed vehicle information is crucial for both professional mechanics and car enthusiasts. Carmin provides comprehensive wiring diagrams for the most popular auto makers and car models, serving as an essential resource for accurate vehicle repairs and maintenance.
The application stands out through its regularly updated database of trustworthy Electrical Wiring Diagrams. These diagrams are meticulously curated and verified, ensuring that users have access to reliable information when working on their vehicles. Whether you're diagnosing electrical issues or planning modifications, having precise wiring details can save significant time and effort.
Carmin goes beyond basic diagrams by offering an extensive library of technical documents and videos. This multimedia approach allows users to deepen their understanding of vehicle systems through different formats. The resources are easily accessible with just a few clicks, making it convenient for users to find the information they need quickly.
By providing such detailed vehicle information, Carmin empowers users to make informed decisions during repairs and upgrades. The application's commitment to regular updates ensures that users always have access to the most current and accurate data available in the automotive industry.
While Carmin focuses primarily on providing technical information, price transparency remains an important aspect of any automotive application. Although the app itself is free, users should understand all potential costs associated with using similar automotive resources.
The application offers its entire collection of wiring diagrams and technical documents at no cost, which sets it apart from traditional paid services. Many comparable resources charge substantial fees for access to detailed vehicle information, making Carmin an economical alternative for those seeking comprehensive automotive data.
Carmin maintains transparency by clearly stating that all core features are free to use. The app doesn't bombard users with hidden charges or unexpected subscription fees, creating a trustworthy environment for accessing automotive information.
For users who want to expand their knowledge across multiple platforms, Carmin even provides a direct link to its iOS version in the App Store. This openness about availability on different platforms demonstrates the developers' commitment to keeping users fully informed about their options without any hidden surprises.
User-friendly interface
Regularly updated content
Wide range of car models
Comprehensive technical library
Free to use
Limited to electrical systems
Occasional update delays
Requires internet connection
No offline mode
iOS version only

Practice the drills within MotoJitsu Master Riding Program Volume 1 & 2!

Listings of Tesla's with FSD - Included package

Read and delete OBD codes with any ELM327 OBD scanner. Coding functions included

Car Values, Research and More

Your Path to Driving Licensing Success Begins Here! Develop your driving skills.

Find, search, and browse 40,000+ used cars, SUVs, and trucks.

Find Fast EV Chargers | Charge Your Vehicle at 1,100+ Fast Car Charging Stations

Earn and save with Fuel Rewards®

Shop, finance, or sell today.

Marathon ARCO Rewards members earn rewards & apply the rewards for fuel savings!

Your go-to app for car, truck & SUV parts, DIY tools, and expert repair help.

AlfaOBD software for Fiat Group cars native diagnostic

Discover new and used cars in Syria easily! Browse ads and connect with sellers.

Ferrari inspired analog & digital watch face with quick access and premium style

Theme for Car Launcher
User Reviews